남광유압
회사소개
제품소개
일반형 유압 실린더
고압형 유압 실린더
제철 설비형 유압 실린더
유압 박형 실린더
유압 2단 복동 텔레스코픽 실린더
유압시스템 및 유압유니트
실적 및 설비
실적
설비
온라인 문의
자료실
Home
제품 리스트
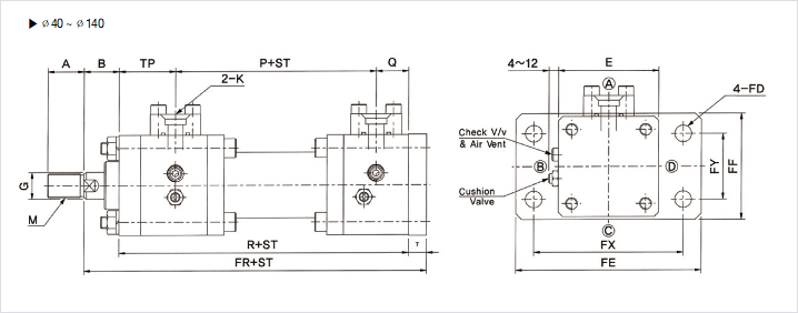
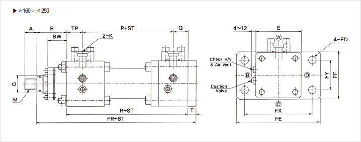
제철 사각 유압 실린더
HSM-FB TYPE
헤드측 플랜지형
기능
일반사양
제품데이터 다운로드
제품 설명
개요